Handschuhfachleuchte?

Partner:
Feiertag?
  • nicht ganz. Es funktioniert so wie die Kofferraumbeleuchtung. Irgendwann geht es von alleine aus.

    33 Jahre Fiat: Uno, Panda, Uno, Punto, Stilo, Tipo

    Mein Fiat: Tipo Kombi, 1.4 T-Jet Lounge BJ 2020, AHK, LED Abblend- und Fernlicht
  • Also bei mir geht die Beleuchtung auch ohne dass die Zündung an ist, ob sie nach ner Zeit ausgeht keine Ahnung, so lange ist das Fach bei mir nicht offen :1f601:

    Gruß


    Marcel

    Mein Fiat: Ford Puma ST-Line X, 2005er Ford Fusion
  • Naja wenn die Batterie leer ist geht Sie schon aus......das Problem hatte ich bei meinem Freemont..... :)


    LG Thomas :thumbup:

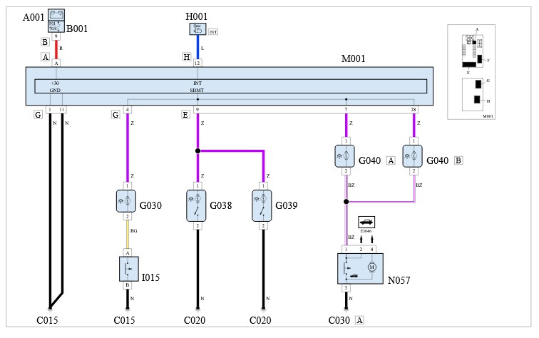
  • Nur mal so, anbei der Stromplan:
    M001 ist der BC
    G030 ist die Handschuhfachlampe
    G038/G039 die Sonnenblendenlampe
    G040 (links und rechts) die Kofferraumleuchte


    Unschwer zu erkennen, dass die alle Lampen über den BC gehen. Kofferraum und Handschuhfachleuchte gehen eine zeitlang ohne Zündung. Sonnenblende wird auch so sein, habe ich aber noch nicht geprüft. Irgendwann werden sie vom BC gesperrt und leuchten erst wieder, wenn der BC wieder zum Leben erweckt werden.


    So wie ich es schon erwähnte ;)

    33 Jahre Fiat: Uno, Panda, Uno, Punto, Stilo, Tipo

    Mein Fiat: Tipo Kombi, 1.4 T-Jet Lounge BJ 2020, AHK, LED Abblend- und Fernlicht
  • ... quasi wie ein elektronisch gesteuertes Zeitrelais, dessen Funktion der BC übernimmt.

  • Easy 2019 Nein
    Lounge 2018 Ja
    Beide Sitzheizung und zwei Kofferraumleuchten

    Mein Auto: 1,4l-95PS-Benziner als Kombi in GelatoWeiß mit u.a. Popowärmer , 5" Navi , Mittelarmlehne , schwarzen Scheiben usw ... :1f43c: a Panda hallt :P
    Und der ROTE BLITZ :evil: 120 Fire Amore Lounge

    Mein Fiat: Kombi , 95PS , Weiß
  • Beim NEIN-Tipo wäre spannend, ob die Kabel für Leuchte und Schalter vorbereitet sind.


    Hier noch ein Foto mit alternativer Bestellnummer für den Handschuhfach-Lichtschalter. Den Lampenträger kriegt man recht leicht oder nimmt gleich eine fertige LED-Lösung...
    Wer die Kabel selbst verlegt und nicht die Garage voller Bastelkram hat, sollte sich vielleicht auch Stecker mit Kontakten zu Leuchte/Schalter dazubestellen.


    Ich bin durch mit dem Nachrüsten. Es wäre natürlich viel einfacher gewesen, mein großes Kind hätte nicht noch einen Wunsch dabei gehabt... so hab ich nun drei von diesen USB-Ladebuchsen im Auto verbaut. Oder besser: versteckt...
    Morgen noch ein paar Kabelbinder verteilen, meine Ösen am Massepunkt drehen, die Kabelverlegung etwas verschönern und vielleicht das Pluskabel bissi ummanteln... heute bei Null-Grad-Schneeregen war nicht so mein Bastel-Klima.


    Danke an alle netten Jungs hier, die so viel Handschuhfach-Verständnis zeigten.


    Gruß + Dank
    Tina


    Der Vollständigkeit halber hier noch der Rat vom Italo-Kenner A. Augustin, welche Dinge Frau in diesem Fach HAT:


    4 Dinge, die eine Frau im Handschuhfach hat
    Zeig mir Dein Handschuhfach und ich sage Dir, wer Du bist: Dieser Spruch trifft auf so manche Frau tatsächlich zu.

    • Eine Verbandstasche für den Fall der Fälle bedeutet eine gewisse Sicherheit. Schon bei kleinen Schnittverletzungen schützt ein Pflaster vor dem Eindringen von Krankheitskeimen. Erst recht ist die Verbandstasche bei größeren Verletzungen von Wichtigkeit.
    • Einweg-Hygienetücher werden immer gebraucht. Ob beim Kleckern oder Krümeln während des Verzehrs eines kleinen Snacks, oder wenn im Auto Flüssigkeiten bzw. feuchte Stellen bemerkt werden - sie gehören zu den wichtigsten Dingen, die man im Auto immer bei sich haben sollte.
    • Ein USB-Ladegerät für den Zigarettenanzünder ist immer nützlich, da der Akku vom Handy jederzeit leer sein kann.
    • Der Kamm oder Bürste und der Haargummi zum Richten der Frisur zwischendurch verhindert einen schlechten Eindruck durch zerwühlte Haare, zumal bei ordentlich zurückgebundenem Haar auch die Sicht beim Fahren gewährleistet ist.
  • Dafür hab ich mein Nuttenkoffer, der fährt rechts neben mir mit :D
    Handschuhfach: Tipoheftchen mit TÜV Zettelchen und Parkscheibe mehr nicht ^^

    Happiness in self Destruction 😁

    Mein Fiat: 1,4 T-Jet Lounge, vollausgestattete rollende Gitarrenhure in freundlichem Schwarz mit Glitzer
  • @Multitina
    Bei uns befinden sich derzeit im Handschuhfach in der Hauptsache Corona-Utensilien wie 2 neue Ersatzmasken und Einmalhandschuhe fürs Tanken. Ansonsten gähnende Leere. ;)

Jetzt mitmachen!

Sie haben noch kein Benutzerkonto auf unserer Seite? Registrieren Sie sich kostenlos und nehmen Sie an unserer Community teil!