Hi Leute,
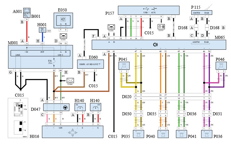
Eine etwas spezielle Frage, weiss evtl. Jemand mit welcher Spannung das Display vom Uconnect 7 versorgt wird?
5V oder doch 12 Volt?
Wenn jemand sogar einen schaltplan zu Hand hätte wäre das ein Traum.
Lg Bino
Hi Leute,
Eine etwas spezielle Frage, weiss evtl. Jemand mit welcher Spannung das Display vom Uconnect 7 versorgt wird?
5V oder doch 12 Volt?
Wenn jemand sogar einen schaltplan zu Hand hätte wäre das ein Traum.
Lg Bino
Alles anzeigenHi Leute,
Eine etwas spezielle Frage, weiss evtl. Jemand mit welcher Spannung das Display vom Uconnect 7 versorgt wird?
5V oder doch 12 Volt?
Wenn jemand sogar einen schaltplan zu Hand hätte wäre das ein Traum.
Lg Bino
erzähl lieber was du vorhast...
bevor du das pfusch machst
Laut Schaltplan 12 volt ![]()
erzähl lieber was du vorhast...
bevor du das pfusch machst
😂 unser Christian live 😂
erzähl lieber was du vorhast...
bevor du das pfusch machst
na das wird wieder alles als lustig angesehen
wartet ab ich hab da nen Riecher für sowas....
und das nicht nur einmal bis jetzt
Jetzt entspannt euch mal alle, Stand jetzt passiert erst mal garnichts, es betrifft auch nicht mein Auto, sondern ist nur eine Fehlersuche an einem Tipo aus der Familie.
Btw. Ich arbeite seit über 17 Jahren in meinem Beruf und sollte schon wissen was ich mache, leider bekommt man nicht überall die nötigen Unterlagen.
Jetzt entspannt euch mal alle, Stand jetzt passiert erst mal garnichts, es betrifft auch nicht mein Auto, sondern ist nur eine Fehlersuche an einem Tipo aus der Familie.
Btw. Ich arbeite seit über 17 Jahren in meinem Beruf und sollte schon wissen was ich mache, leider bekommt man nicht überall die nötigen Unterlagen.
dann erzähl mal was da sache is.....
da ich car hifi EXTREM betreibe kann ich dir warscheinlich helfen
Ich tippe drauf, dass das Display nicht angeht und er einfach nur prüfen will ob Saft ankommt.
Fahr mal runter, nur weil du laut Musik hören kannst und das viellei einigermaßen einstellen kannst heißt das nicht, dass du der einzige bist der weiß von wo nach wo Strom fließt... 🤦
Hilfe anbieten sieht anders aus. Mit Wissen sollte man nicht zu sehr prahlen, umso größer ist die Fallhöhe...
Ich tippe drauf, dass das Display nicht angeht und er einfach nur prüfen will ob Saft ankommt.
Fahr mal runter, nur weil du laut Musik hören kannst und das viellei einigermaßen einstellen kannst heißt das nicht, dass du der einzige bist der weiß von wo nach wo Strom fließt... 🤦
Hilfe anbieten sieht anders aus. Mit Wissen sollte man nicht zu sehr prahlen, umso größer ist die Fallhöhe...
was is los???
es geht mir nicht darum anzugeben.,...
ich habe einfach die befürchtung das da was anderes is....
also ruhig bleiben ....
wünsche dir noch nen schönen abend
und den ton will ich nie wieder hören ...
Alles anzeigenwas is los???
es geht mir nicht darum anzugeben.,...ich habe einfach die befürchtung das da was anderes is....
also ruhig bleiben ....
wünsche dir noch nen schönen abend
und den ton will ich nie wieder hören ...
Fahre du dich mal runter.
Egal in welches Thema du dich einklinkst "motzt" du erstmal rum und merkst es nicht mal.
Auch wenn du es vielleicht nicht so meinen solltest, aber deine Schreibweise suggeriert ziemliche Arroganz, Überheblichkeit und Aggressivität...
Überdenke bitte mal DEINE Schreibweise und versetze dich in die gegenüberliegende Seite.
Ja ich weiß das ist schwer. Das musste ich auch erst jetzt lernen mit weit ü40.
Und das ist auch dir gegenüber nicht böse gemeint.
Mansche Menschen "können" es einfach nicht.
Moin,
Es kam leider ziemlich überheblich rüber und gleich über Pfusch zu reden ohne zu wissen was Sache ist macht die Sache nicht besser.
Wie schon von Loki1609 erwähnt macht das Display zeitweise Probleme das es an und aus geht, als würde zwischenzeitlich die Spannungsversorgung fehlen.
Und da ich leider keine Unterlagen für Fiat besitze zur Fehlersuche, da ich bei einem anderen Hersteller arbeite habe ich mich Hilfe suchend ans Forum gewandt.
An meinen Tipo werde ich irgendwann auch mal weitermachen was das Car Hifi betrifft, aber das wird bei meiner fehlenden Zeit noch sehr lang dauern....zumindest die Türen hab ich innerhalb eines Jahres mal dämmen können.
In diesem Sinne Guten Start in den Freitag.
Bino
Schau mal hier nach
Schwarzer Bildschirm kann auch an einer fehlerhaften Firmware liegen...
Schau mal hier nach
ThemaAnleitung: Update Firmware uConnect 7" (alle Modelle)Hallo zusammen,
nachfolgend ein Auszug aus der Anleitung zum Installieren der aktuellen Firmware für alle Tipo Modelle uConnect 7" - nicht 5"!!
Achtung! Installation natürlich auf eigene Verantwortung/Gefahr.
Ich übernehme keine Haftung oder Gewährleistung!
Wenn alle Gerätschaften funktionieren, ist kein zwingendes Update erforderlich.
Ergänzung: Das Update kann nicht - wie bei dem Navi-Update - während der Fahrt durchgeführt werden. Das Fahrzeug muss sich im Stand befinden und das Update wird…
snaijdr
Schwarzer Bildschirm kann auch an einer fehlerhaften Firmware liegen...
Stimmt, da war mal was. ![]()
Der Downloadlink der letzten Firmware von Christian ging aber glaube ich nicht mehr...
ja das sollte dann keine große Hürde sein.
Hab mir gerade mal die 23.02.01.15 und 23.01.75.17 von den Fiat Servern gesichert ![]()
Es gibt tatsächlich 2 verschiedene Versionen in 2 noch "aktuellen" Servicenews.
Servicenews 55.023.19 (von 11/2019) mit Firmware 23.02.01.15
Servicenews 55.023.20 (von 07/2021) mit Firmware 23.01.75.17
Beides aber für VP7
Bei meinem Navi von 2016 gingen die letzten Firmwarupdate gar nicht aufzuspielen... warscheinlich haben die wirklich mal die Hardware gewechselt gehabt.
Egal. Ich habe beide wenn jemand Bedarf hat.
Ich würde es auch erstmal mit dem Firmware-Update probieren.
Meist ist damit der beschriebene Fehler behoben.
Bin da auch eher Konservativ und der „Never touch a Running System“ Typ, aber….
Ich habe in letzter Zeit häufiger Probleme beim Koppeln vom Handy, z.B. greenscreen oder wenn ich einen Anruf annehme verliert das Handy die Verbindung.
Ist allerdings mittels so einer Box Wireless verbunden, kann da ein Firmwareupdate auch helfen?
Das „komische“ ist das es 1 Jahr fast fehlerfrei funzte, sporadisch mal ein greenscreen, das war es, jetz häufiger und das Problem mit den Verbindungsabbrüchen.
Ich würde auf die fehlerhafte Chinabox tippen.
Sie haben noch kein Benutzerkonto auf unserer Seite? Registrieren Sie sich kostenlos und nehmen Sie an unserer Community teil!
Das Tipo Forum ist KEIN offizielles Angebot der FCA Group Germany AG.
Hier erreichst Du den offiziellen Kundenservice:
CIAO FIAT 00 800 3428 0000
CIAO FIAT hilft Dir bei allen Fragen rund um Deinen Fiat weiter. NICHT bei Fragen zu unserem Forum!
Weitere FCA Konzen Marken Community's
Weitere Webseiten zum Thema Fiat

